产品中心
CV..SD立式附三相铝壳齿轮减速马达
- 产品参数:
- 额定功率:立式
- 电 压:立式
- 频 率:220V/380V
- 减 速 比:1/3-1/200
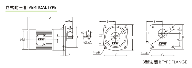
- 安装方式:220V/380V
产品详细参数
CV..SD 立式附三相铝壳齿轮减速马达有时也叫CPG齿轮减速电机或CPG齿轮减速马达。其高达95%以上的传动效率深受用户喜爱。此系列下有多种减速机类型,有带法兰型,不带法兰型,双轴型,单轴型,高速比型,低速比型等多种型号,满足了不同客户的需求,真正做到真正做到覆盖全行业。一流的设计技术和特等制造材料成为了CPG品牌的代名词,每款产品上市后都能得到客户的认可,是用心做产品的企业。
产品的详细特点及参数
电压:单相:100V~110V,200V~220V
三相:200V~220V,380V~440V
功率:100W~3700W
速比:1/3~1/1800
可装制动刹车,编码器.
1.具有公制IEC及美制NEMA两种马达法兰规格。
2.减速比范围5:1到3600;
3.使用马力范围小至1、4HP。大至100HP.
4.使用高品质双唇油封。
5.齿轮采用S45C中碳钢经硬化热处理后,牙面齿形研磨。
6.300型(含)以上,蜗杆采用
7.轴材质采用高品质之ALBC3 铝青铜具最佳耐磨性。
8.机体外壳采高强度之FC—20灰口铸铁。
9.300型(含)以上机体外壳采更高强度之FCD45球状石墨铸铁。
10.入力轴承使用圆锥滚子轴承。
11.万向型具活动式底座。
12.工业用负载型使用寿命长。
13.一年使用保固。






